低壓mos管品牌介紹-原廠直銷 免費送樣-低壓mos選型表-KIA MOS管
信息來源:本站 日期:2018-10-18
低壓mos管品牌介紹-深圳市可易亞半導體科技有限公司.是一家專業從事中、大、功率場效應管(MOSFET)、快速恢復二極管、三端穩壓管開發設計,集研發、生產和銷售為一體的國家高新技術企業。
2005年在深圳福田,KIA半導體開啟了前行之路,注冊資金1000萬,辦公區域達1200平方,已經擁有了獨立的研發中心,研發人員以來自韓國(臺灣)超一流團隊,可以快速根據客戶應用領域的個性來設計方案,同時引進多臺國外先進設備,業務含括功率器件的直流參數檢測、雪崩能量檢測、可靠性實驗、系統分析、失效分析等領域。強大的研發平臺,使得KIA在工藝制造、產品設計方面擁有知識產權35項,并掌握多項場效應管核心制造技術。自主研發已經成為了企業的核心競爭力。
強大的研發平臺,使得KIA在工藝制造、產品設計方面擁有知識產權35項,并掌握多項場效應管核心制造技術。自主研發已經成為了企業的核心競爭力。
KIA半導體的產品涵蓋工業、新能源、交通運輸、綠色照明四大領域,不僅包括光伏逆變及無人機、充電樁、這類新興能源,也涉及汽車配件、LED照明等家庭用品。KIA專注于產品的精細化與革新,力求為客戶提供最具行業領先、品質上乘的科技產品。
從設計研發到制造再到倉儲物流,KIA半導體真正實現了一體化的服務鏈,真正做到了服務細節全到位的品牌內涵,我們致力于成為場效應管(MOSFET)功率器件領域的領跑者,為了這個目標,KIA半導體正在持續創新,永不止步!
BIPOLAR,CMOS,MOSSFET等電源相關產品,產品的穩定性,高性價比,良好的服務,以及和客戶充分的技術,市場溝通的嚴謹態度.在移動數碼,LCE,HID,LED,電動車,開關電源,逆變器,節能燈等領域深得客戶認可。
這過去的2007年,KIA一韓國技術研發人員為核心的設計團隊,成功完成最新型工藝為代表MOSFET產品的設計和生產定型,大幅度降低了產品的RDS(ON),提高客戶產品的轉換效率,并率先將該類型產品在中國市場推出,產品的相關測試數據均達到歐美同類產品,同樣這高溫可靠性和穩定性方面表現優秀。KIA半導體持續改進,永不止步期待與您一起努力向市場提供,更高性價比產品,共同提升核心競爭力。
低壓mos管品牌封裝,深圳市可易亞半導體科技有限公司,KIA封裝齊全,并且與國內一流封裝廠家合作,擁有著齊全的封裝形式。介紹一下與KIA合作的MOS管封裝廠家其中之一知名封裝公司。

天水華天電子集團股份有限公司成立于2003年12月25日,2007年11月20日在深圳證券交易所掛牌上市交易。股票簡稱:華天科技;股票代碼:002185。目前,公司總股本213,111.29萬股,注冊資本213,111.29萬元。
公司主要從事半導體集成電路封裝測試業務。目前公司集成電路封裝產品主要有DIP/SDIP、SOT、SOP、SSOP、TSSOP/ETSSOP、QFP/LQFP/TQFP、QFN/DFN、BGA/LGA、FC、MCM(MCP)、SiP、WLP、TSV、Bumping、MEMS等多個系列,產品主要應用于計算機、網絡通訊、消費電子及智能移動終端、物聯網、工業自動化控制、汽車電子等電子整機和智能化領域。公司集成電路年封裝規模和銷售收入均位列我國同行業上市公司第二位。
近幾年來,公司不斷加強先進封裝技術和產品的研發力度,加大研發投入,完善以華天西安為主體的研發仿真平臺建設,依托國家級企業技術中心、甘肅省微電子工程技術研究中心、甘肅省微電子工程實驗室等研發驗證平臺,通過實施國家科技重大專項02專項等科技創新項目以及新產品、新技術、新工藝的不斷研究開發,自主研發出FC、Bumping、MEMS、MCM(MCP)、WLP、SiP、TSV、Fan-Out等多項集成電路先進封裝技術和產品,隨著公司進一步加大技術創新力度,公司的技術競爭優勢將不斷提升。
公司擁有穩定的客戶群體和強大的銷售網絡,得到了客戶的廣泛信賴,建立了長期良好的合作關系。近幾年來公司在穩步擴展國內市場的同時,通過采取加大國際市場的開發及境外并購等措施,有效的拓展了國際市場,已形成布局全球的銷售格局,為公司的發展提供了有力的市場保證,降低了市場風險。
多年來,公司在不斷擴大產業規模,快速提高技術水平的同時,通過持續不斷的技術和管理創新,使公司保持了健康持續快速的發展,公司的經濟效益在國內同行業上市公司中一直處于領先水平。公司擁有一支善于經營、敢于管理、勇于開拓創新、團結向上的經營管理團隊;公司法人治理結構完善,各項管理制度齊全;多年的大生產實踐,公司已形成了一套先進的大生產管理體系。
公司將堅持以發展為主題,以科技創新為動力,以產品結構調整為主線,倡導管理創新、產品創新和服務創新,在擴大和提升現有集成電路封裝業務規模與水平的同時,大力發展BGA、MCM(MCP)、SiP、FC、TSV、MEMS、Bumping、Fan-Out、WLP等高端封裝技術和產品,擴展公司業務領域,提升核心業務的技術含量與市場附加值,努力提高市場份額和盈利能力。
公司在加快自身快速發展的同時,有效實施并購重組和股權收購工作,通過并購重組以及資源整合,不斷完善公司產業發展布局,穩步推進公司國際化進程,以期取得跨越式發展,將公司發展成為國際知名的集成電路封裝測試企業,打造中國集成電路封裝測試行業的第一品牌。
接下來給大家介紹一下可易亞MOS管供應商的一些具體封裝工藝及分類。TO(Transistor Out-line)的中文意思是“晶體管外形”。這是早期的封裝規格,例如TO-92,TO-92L,TO-220,TO-252等等都是插入式封裝設計。近年來表面貼裝市場需求量增大,TO封裝也進展到表面貼裝式封裝。
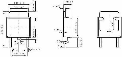
TO252和TO263就是表面貼裝封裝。其中TO-252又稱之為D-PAK,TO-263又稱之為D2PAK。
D-PAK封裝的MOSFET有3個電極,柵極(G)、漏極(D)、源極(S)。其中漏極(D)的引腳被剪斷不用,而是使用背面的散熱板作漏極(D),直接焊接在PCB上,一方面用于輸出大電流,一方面通過PCB散熱。所以PCB的D-PAK焊盤有三處,漏極(D)焊盤較大。
芯片封裝流行的還是雙列直插封裝,簡稱DIP(Dual ln-line Package)。DIP封裝在當時具有適合PCB(印刷電路板)的穿孔安裝,具有比TO型封裝易于對PCB布線以及操作較為方便等一些特點,其封裝的結構形式也很多,包括多層陶瓷雙列直插式DIP,單層陶瓷雙列直插式DIP,引線框架式DIP等等。常用于功率晶體管、穩壓芯片的封裝。
SOT(Small Out-Line Transistor)小外形晶體管封裝。這種封裝就是貼片型小功率晶體管封裝,比TO封裝體積小,一般用于小功率MOSFET。常見的規格如上。主板上常用四端引腳的SOT-89 MOSFET。
SOP(Small Out-Line Package)的中文意思是“小外形封裝”。SOP是表面貼裝型封裝之一,引腳從封裝兩側引出呈海鷗翼狀(L 字形)。材料有塑料和陶瓷兩種。SOP也叫SOL 和DFP。SOP封裝標準有SOP-8、SOP-16、SOP-20、SOP-28等等,SOP后面的數字表示引腳數。MOSFET的SOP封裝多數采用SOP-8規格,業界往往把“P”省略,叫SO(Small Out-Line )。
SO-8采用塑料封裝,沒有散熱底板,散熱不良,一般用于小功率MOSFET。SO-8是PHILIP公司首先開發的,以后逐漸派生出TSOP(薄小外形封裝)、VSOP(甚小外形封裝)、SSOP(縮小型SOP)、TSSOP(薄的縮小型SOP)等標準規格。這些派生的幾種封裝規格中,TSOP和TSSOP常用于MOSFET封裝。
QFN(Quad Flat Non-leaded package)是表面貼裝型封裝之一,中文叫做四邊無引線扁平封裝,是一種焊盤尺寸小、體積小、以塑料作為密封材料的新興表面貼裝芯片封裝技術。現在多稱為LCC。QFN是日本電子機械工業會規定的名稱。封裝四邊配置有電極接點,由于無引線,貼裝占有面積比QFP小,高度比QFP低。這種封裝也稱為LCC、PCLC、P-LCC等。QFN本來用于集成電路的封裝,MOSFET不會采用的。Intel提出的整合驅動與MOSFET的DrMOS采用QFN-56封裝,56是指在芯片背面有56個連接Pin。
聯系方式:鄒先生
聯系電話:0755-83888366-8022
手機:18123972950
QQ:2880195519
聯系地址:深圳市福田區車公廟天安數碼城天吉大廈CD座5C1
請搜微信公眾號:“KIA半導體”或掃一掃下圖“關注”官方微信公眾號
請“關注”官方微信公眾號:提供 MOS管 技術幫助