路燈控制器-太陽能路燈控制器系統結構及設計方案原理大全-KIA MOS管
信息來源:本站 日期:2018-05-21
太陽能作為一種新興的綠色能源,以其永不枯竭、無污染等優點,正得到迅速的推廣應用。LED具有體積小而堅固耐用,耗電量低、使用奉命長、環保、光色性能好等特點,有資料顯示,每年用于照明的電力在3000億度以上,若采用LED照明,每年就可以節約1/3的照明用電,基本上相當于總投資規模超過2000億元的三峽工程的全年發電量。由于太陽能電池板輸出的是直流電能,而LED也是直流驅動光源,兩者的結合更能提高整個系統的效率,降低市政成本,所以LED太陽能路燈越來越受到人們的重視。
LED太陽能路燈系統如圖1所示,可以看出其由太陽能電池、路燈控制器、蓄電池、市電供電和LED路燈五部分組成,其中太陽電池用于把太陽光能轉互電能,即白天時刻太陽能電池給蓄電池充電,并且可以根據太陽能電池兩端電壓的大小判斷光亮程度。也就是從太陽電池電壓的大小來判斷天黑和天亮。蓄電池是整個太陽能系統的儲備能源設備,白天時太陽電池給蓄電池充電,晚上或陰雨天系統和負載用電由蓄電池來提供。
圖1 LED太陽能路燈系統
太陽能路燈控制器是太陽能路燈系統中最為重要的部件,其功能設計的好壞決定了一個太陽能路燈系統運行情況的優劣。路燈控制器需要實現的功能有:根據太陽亮度,白天斷開LED路燈而給蓄電池充電,晚上通過蓄電池給路燈供電,并能分時段進行功率調整,在蓄電池電量不足時,自動切換到市電供電系統;防止蓄電池過充和過放,具有短路保護和反接保護功能等。
根據需要實現的控制功能,本文選擇STM8單片機對LED太陽能路燈系統進行控制。
單片機主要完成的功能包括檢測蓄電池兩端電壓并根據不同狀態采用不同的充電模式;判斷白天黑夜并以此來切換蓄電池充電和放電模式以及切換到市電供電系統。
路燈控制器中包括的電路模塊比較多,如電源模塊、復位模塊、時鐘模塊等等,而對整個控制器至整個太陽能路燈系統比較重要的是電壓檢測模塊及蓄電池充放電模塊及切換模塊。
由控制器的實現功能知,白天太陽能電池給蓄電池充電,晚上或陰天用于LED路燈照明,實現綠色環保節能的目的,所以蓄電池充電控制電路在太陽能路燈控制系統中具有重要的作用。本文采用斬波式PWM充電原理,單片機首先檢測蓄電池的兩端電壓,并與軟件中設定電壓相比較,進而選擇不同的充電方式。具體的控制電路如圖2所示,其中中J1、J3分別為蓄電池和太陽能電池的正極,單片機的口通過R20、R21及R18、R19分別對太陽能電池電壓和蓄電池電壓進行采樣,經過AD轉換判斷,在滿足充電或停止充電條件下,單片機P0.3口給出充電控制信號,使三極管S 導通或截止,即可實現蓄電池充電,具體可見程序設計部分。其中圖中D6為防反充肖特基二極管,避免當蓄電池電壓高于太陽能電池電壓時,蓄電池向太陽能電池反充電。D7是一個保護二極管,當蓄電池反接時電路斷開,保護蓄電池,提高系統的可靠性。
圖2蓄電池充電控制電路
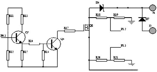
為了在夜間不同時刻采用不同的亮度,以達到節約電能的目的,本系統設計了兩路負載輸出,晚上12點以前兩盞LED皆亮,12點后一盞點亮,每路輸出均有立的控制和檢測。設計采用了PWM功率控制功能對LED燈具實現無級調光。單路原理如圖3所示。其中單片機P0.6 口給出控制信號,即P 0 . 6 = 1 時,三極管導通,繼電器閉合,MOS管導通,蓄電池向路燈供電。在電量不足或白天時,控制端輸出低電平信號,切斷供電回路。夜晚蓄電池電量不足情況下由市電供電系統給LED路燈供電,保證系統的完整和可靠。
圖3 負載輸出控制電路
控制器能自動檢測當前的狀態,首先根據太陽能電池兩端電壓檢測當前狀態是白天還是黑夜,進而選擇是充電模式或者放電模式。在充電模式中根據蓄電池兩兩端的電壓選擇不同的充電模式,如當充電電壓高于保護電壓(15V)時,自動關斷對蓄電池的充電,此后當電壓掉至維護電壓(13.2V)時,蓄電池進入浮充狀態,當低于維護電壓(13.2V)后浮充關閉,進入均充狀態。
在放電過程中,首先保證在晚上12點前開通兩路負載,12點后開通一路負載,并且當蓄電池電壓低于保護電壓(11V)時,控制器自動切換到市電供電系統或關閉負載開關以保護蓄電池不受損壞。因此,充電管理和放電管理是系統軟件設計中的主要內容,充放電程序流程圖如圖4 所示:
圖4 充放電程序流程圖
LED路燈中的控制器電路設計過程未考慮電磁兼容問題,電源濾波電路設計不夠理想,導致低頻輻射超出限值,產品騷擾電壓項目不符合GB 17743-2007《電氣照明和類似設備的無線電騷擾特性的限值和測量方法》限值要求。該項目不合格容易導致電網的電壓和電流波形發生畸變,污染電網,對接入電網的其他電氣設備(特別是高靈敏設備)的正常工作造成影響。
騷擾電壓騷擾主要包括差模騷擾和共模騷擾,對于不同頻段的傳導騷擾超標,常用的整改措施有:
對于差模騷擾超標可調整X電容容量,添加差模電感器,調整差模電感量(如圖1);對于共模騷擾超標可添加共模電感,選用合理的電感量來抑制,或者增加Y電容,適當調整Y電容的參數和位置(如圖2)。
圖1 LED路燈5MHz以下差模騷擾電壓整改措施
圖2 LED路燈5MHz以下共模騷擾電壓整改措施
5M~20MHz以共摸騷擾為主,采用抑制共摸的方法。對于外殼接地的,在地線上用一個磁環串繞2-3 圈會對10MHz 以上騷擾有較大的衰減作用。或者在輸出整流管兩端并聯RC濾波器且調整合理的參數(如圖3)。
圖3 LED路燈5M-20MHz共模騷擾電壓整改措施
20~30MHZ的騷擾:常用的整改措施可以調整對地Y電容容量或改變Y 電容位置;或者變壓器外面包銅箔;或者輸出線前面接一個雙線并繞的小共模電感。
主要是LED路燈具整體設計存在缺陷,例如燈具或電源的屏蔽效果不好,燈具電源外的恒流模塊的設計不合理,接地布線、燈具內部走線布置不合理,感性元器件的非合理應用等導致騷擾不符合GB 17743-2007《電氣照明和類似設備的無線電騷擾特性的限值和測量方法》限值要求。
作為輻射騷擾的抑制措施,要特別注意開關電源的布局和布線。作為補救,在開關電源的結構上和器件的采用上也可采取適當措施(如屏蔽和濾波等)。常見的抑制措施如下:
電路設計時無法實現最佳布線,但應考慮最重要的部分。從電磁騷擾發射的角度考慮,最重要的信號是高電流和電壓變化率信號,如時鐘線、數據線、大功率方波振蕩器等。從敏感度的角度考慮,最重要的信號是前后沿觸發輸入電路、時鐘系統、小信號模擬放大器等。開關調整回路和整流輸出回路是最重要的電磁騷擾發射線路;而反饋控制則是最重要的敏感線路。
屏蔽效應的原理是用屏蔽罩反射或吸收噪聲。主要采用完整屏蔽結構的金屬屏蔽罩,要求開孔尺寸和緊固件的間隔盡量小,還要避免由于覆蓋涂層造成某些區域的絕緣。
整改方法為:調整輸出整流管的吸收電路參數,或者在輸出整流管和MOS管管腳上串磁珠,或者在MOSFET的D-S腳并聯一個小吸收電路。
主要是LED路燈及LED控制裝置抗浪涌電路的設計不合理,或者壓敏電阻、瞬態抑制二極管或氣體放電管的選擇不合理,導致不符合GB/T 17626.5-2008《電磁兼容試驗和測量技術 浪涌(沖擊)抗擾度試驗》限值要求。該項目不合格會LED路燈防雷效能差,在雷雨天氣不能很好的保護設備的正常工作,甚至很快出現燈具故障,影響正常的路面夜間行車安全。
根據浪涌測試原理和產品設計原理,主要的整改措施為增加防浪涌裝置的設計,以及接地處理。
五、結語
太陽能作為取之不盡、用之不竭的清潔能源,必將得到人們越來越多的關注和利用,高效環保的太陽能LED路燈也將成為更多市政改擴建工程的選擇。本文根據太陽能路燈的控制需要,對太陽能路燈控制器從硬件結構及軟件開發方面進行了設計,該控制器具有抗干擾能力強、便于控制特點。
聯系方式:鄒先生(mos管廠家)
聯系電話:0755-83888366-8022
手機:18123972950
QQ:2880195519
聯系地址:深圳市福田區車公廟天安數碼城天吉大廈CD座5C1
請搜微信公眾號:“KIA半導體”或掃一掃下圖“關注”官方微信公眾號
請“關注”官方微信公眾號:提供 MOS管 技術幫助
