大功率MOS管工作原理及構造詳解-大功率MOS管檢測與代換-KIA MOS管
信息來源:本站 日期:2018-07-03
MOS管的英文全稱叫MOSFET(Metal Oxide Semiconductor Field Effect Transistor),即金屬氧化物半導體型場效應管,屬于場效應管中的絕緣柵型。因此,MOS管有時被稱為絕緣柵場效應管。在一般電子電路中,MOS管通常被用于放大電路或開關電路。
在一塊摻雜濃度較低的P型半導體硅襯底上,用半導體光刻、擴散工藝制作兩個高摻雜濃度的N+區,并用金屬鋁引出兩個電極,分別作為漏極D和源極S。然后在漏極和源極之間的P型半導體表面復蓋一層很薄的二氧化硅(Si02)絕緣層膜,在再這個絕緣層膜上裝上一個鋁電極,作為柵極G。這就構成了一個N溝道(NPN型)增強型MOS管。顯然它的柵極和其它電極間是絕緣的。圖1-1所示 A 、B分別是它的結構圖和代表符號。
同樣用上述相同的方法在一塊摻雜濃度較低的N型半導體硅襯底上,用半導體光刻、擴散工藝制作兩個高摻雜濃度的P+區,及上述相同的柵極制作過程,就制成為一個P溝道(PNP型)增強型MOS管。圖1-2所示A 、B分別是P溝道MOS管道結構圖和代表符號。
從圖1-3-A可以看出,增強型MOS管的漏極D和源極S之間有兩個背靠背的PN結。當柵-源電壓VGS=0時,即使加上漏-源電壓VDS,總有一個PN結處于反偏狀態,漏-源極間沒有導電溝道(沒有電流流過),所以這時漏極電流ID=0。
此時若在柵-源極間加上正向電壓,圖1-3-B所示,即VGS>0,則柵極和硅襯底之間的SiO2絕緣層中便產生一個柵極指向P型硅襯底的電場,由于氧化物層是絕緣的,柵極所加電壓VGS無法形成電流,氧化物層的兩邊就形成了一個電容,VGS等效是對這個電容充電,并形成一個電場,隨著VGS逐漸升高,受柵極正電壓的吸引,在這個電容的另一邊就聚集大量的電子并形成了一個從漏極到源極的N型導電溝道,當VGS大于管子的開啟電壓VT(一般約為 2V)時,N溝道管開始導通,形成漏極電流ID,我們把開始形成溝道時的柵-源極電壓稱為開啟電壓,一般用VT表示。控制柵極電壓VGS的大小改變了電場的強弱,就可以達到控制漏極電流ID的大小的目的,這也是MOS管用電場來控制電流的一個重要特點,所以也稱之為場效應管。
上述大功率MOS管工作原理中可以看出,MOS管的柵極G和源極S之間是絕緣的,由于Sio2絕緣層的存在,在柵極G和源極S之間等效是一個電容存在,電壓VGS產生電場從而導致源極-漏極電流的產生。此時的柵極電壓VGS決定了漏極電流的大小,控制柵極電壓VGS的大小就可以控制漏極電流ID的大小。這就可以得出如下結論:
1) MOS管是一個由改變電壓來控制電流的器件,所以是電壓器件。
2) MOS管道輸入特性為容性特性,所以輸入阻抗極高。
圖1-4-A 是N溝道MOS管的符號,圖中D是漏極,S是源極,G是柵極,中間的箭頭表示襯底,如果箭頭向里表示是N溝道的MOS管,箭頭向外表示是P溝道的MOS管。
在實際MOS管生產的過程中襯底在出廠前就和源極連接,所以在符號的規則中;表示襯底的箭頭也必須和源極相連接,以區別漏極和源極。圖1-5-A是P溝道MOS管的符號。
大功率MOS管應用電壓的極性和我們普通的晶體三極管相同,N溝道的類似NPN晶體三極管,漏極D接正極,源極S接負極,柵極G正電壓時導電溝道建立,N溝道MOS管開始工作,如圖1-4-B所示。同樣P道的類似PNP晶體三極管,漏極D接負極,源極S接正極,柵極G負電壓時,導電溝道建立,P溝道MOS管開始工作,如圖1-5-B所示。
1).場效應管的源極S、柵極G、漏極D分別對應于三極管的發射極e、基極b、集電極c,它們的作用相似,圖1-6-A所示是N溝道MOS管和NPN型晶體三極管引腳,圖1-6-B所示是P溝道MOS管和PNP型晶體三極管引腳對應圖。
2).場效應管是電壓控制電流器件,由VGS控制ID,普通的晶體三極管是電流控制電流器件,由IB控制IC。MOS管道放大系數是(跨導gm)當柵極電壓改變一伏時能引起漏極電流變化多少安培。晶體三極管是電流放大系數(貝塔β)當基極電流改變一毫安時能引起集電極電流變化多少。
3).場效應管柵極和其它電極是絕緣的,不產生電流;而三極管工作時基極電流IB決定集電極電流IC。因此場效應管的輸入電阻比三極管的輸入電阻高的多。
4).場效應管只有多數載流子參與導電;三極管有多數載流子和少數載流子兩種載流子參與導電,因少數載流子濃度受溫度、輻射等因素影響較大,所以場效應管比三極管的溫度穩定性好。
5).場效應管在源極未與襯底連在一起時,源極和漏極可以互換使用,且特性變化不大,而三極管的集電極與發射極互換使用時,其特性差異很大,b 值將減小很多。
6).場效應管的噪聲系數很小,在低噪聲放大電路的輸入級及要求信噪比較高的電路中要選用場效應管。
7).場效應管和普通晶體三極管均可組成各種放大電路和開關電路,但是場效應管制造工藝簡單,并且又具有普通晶體三極管不能比擬的優秀特性,在各種電路及應用中正逐步的取代普通晶體三極管,目前的大規模和超大規模集成電路中,已經廣泛的采用場效應管。
1)、輸入阻抗高,驅動功率小:由于柵源之間是二氧化硅(SiO2)絕緣層,柵源之間的直流電阻基本上就是SiO2絕緣電阻,一般達100MΩ左右,交流輸入阻抗基本上就是輸入電容的容抗。由于輸入阻抗高,對激勵信號不會產生壓降,有電壓就可以驅動,所以驅動功率極小(靈敏度高)。一般的晶體三極管必需有基極電壓Vb,再產生基極電流Ib,才能驅動集電極電流的產生。晶體三極管的驅動是需要功率的(Vb×Ib)。
2)、開關速度快:MOSFET的開關速度和輸入的容性特性的有很大關系,由于輸入容性特性的存在,使開關的速度變慢,但是在作為開關運用時,可降低驅動電路內阻,加快開關速度(輸入采用了后述的“灌流電路”驅動,加快了容性的充放電的時間)。MOSFET只靠多子導電,不存在少子儲存效應,因而關斷過程非常迅速,開關時間在10—100ns之間,工作頻率可達100kHz以上,普通的晶體三極管由于少數載流子的存儲效應,使開關總有滯后現象,影響開關速度的提高(目前采用MOS管的開關電源其工作頻率可以輕易的做到100K/S~150K/S,這對于普通的大功率晶體三極管來說是難以想象的)。
3)、無二次擊穿;由于普通的功率晶體三極管具有當溫度上升就會導致集電極電流上升(正的溫度~電流特性)的現象,而集電極電流的上升又會導致溫度進一步的上升,溫度進一步的上升,更進一步的導致集電極電流的上升這一惡性循環。而晶體三極管的耐壓VCEO隨管溫度升高是逐步下降,這就形成了管溫繼續上升、耐壓繼續下降最終導致晶體三極管的擊穿,這是一種導致電視機開關電源管和行輸出管損壞率占95%的破環性的熱電擊穿現象,也稱為二次擊穿現象。MOS管具有和普通晶體三極管相反的溫度~電流特性,即當管溫度(或環境溫度)上升時,溝道電流IDS反而下降。例如;一只IDS=10A的MOS FET開關管,當VGS控制電壓不變時,在250C溫度下IDS=3A,當芯片溫度升高為1000C時,IDS降低到2A,這種因溫度上升而導致溝道電流IDS下降的負溫度電流特性,使之不會產生惡性循環而熱擊穿。也就是MOS管沒有二次擊穿現象,可見采用MOS管作為開關管,其開關管的損壞率大幅度的降低,近兩年電視機開關電源采用MOS管代替過去的普通晶體三極管后,開關管損壞率大大降低也是一個極好的證明。
4)、MOS管導通后其導通特性呈純阻性;
普通晶體三極管在飽和導通是,幾乎是直通,有一個極低的壓降,稱為飽和壓降,既然有一個壓降,那么也就是;普通晶體三極管在飽和導通后等效是一個阻值極小的電阻,但是這個等效的電阻是一個非線性的電阻(電阻上的電壓和流過的電流不能符合歐姆定律),而MOS管作為開關管應用,在飽和導通后也存在一個阻值極小的電阻,但是這個電阻等效一個線性電阻,其電阻的阻值和兩端的電壓降和流過的電流符合歐姆定律的關系,電流大壓降就大,電流小壓降就小,導通后既然等效是一個線性元件,線性元件就可以并聯應用,當這樣兩個電阻并聯在一起,就有一個自動電流平衡的作用,所以MOS管在一個管子功率不夠的時候,可以多管并聯應用,且不必另外增加平衡措施(非線性器件是不能直接并聯應用的)。
MOS管和普通的晶體三極管相比,有以上四項優點,就足以使MOS管在開關運用狀態下完全取代普通的晶體三極管。目前的技術MOS管道VDS能做到1000V,只能作為開關電源的開關管應用,隨著制造工藝的不斷進步,VDS的不斷提高,取代顯像管電視機的行輸出管也是近期能實現的。
大功率MOS管和普通晶體三極管相比,有諸多的優點,但是在作為大功率開關管應用時,由于MOS管具有的容性輸入特性,MOS管的輸入端,等于是一個小電容器,輸入的開關激勵信號,實際上是在對這個電容進行反復的充電、放電的過程,在充放電的過程中,使MOS管道導通和關閉產生了滯后,使“開”與“關”的過程變慢,這是開關元件不能允許的(功耗增加,燒壞開關管),如圖所示,在圖2-1中 A方波為輸入端的激勵波形,電阻R為激勵信號內阻,電容C為MOS管輸入端等效電容,激勵波形A加到輸入端是對等效電容C的充放電作用,使輸入端實際的電
壓波形變成B的畸變波形,導致開關管不能正常開關工作而損壞,解決的方法就是,只要R足夠的小,甚至沒有阻值,激勵信號能提供足夠的電流,就能使等效電容迅速的充電、放電,這樣MOS開關管就能迅速的“開”、“關”,保證了正常工作。由于激勵信號是有內阻的,信號的激勵電流也是有限度,我們在作為開關管的MOS管的輸入部分,增加一個減少內阻、增加激勵電流的“灌流電路”來解決此問題,如圖2-2所示。
在圖2-2中;在作為開關應用的大功率MOS管Q3的柵極S和激勵信號之間增加Q1、Q2兩只開關管,此兩只管均為普通的晶體三極管,兩只管接成串聯連接,Q1為NPN型Q2為PNP型,基極連接在一起(實際上是一個PNP、NPN互補的射極跟隨器),兩只管等效是兩只在方波激勵信號控制下輪流導通的開關,如圖2-2-A、圖2-2-B
當激勵方波信號的正半周來到時;晶體三極管Q1(NPN)導通、Q2(PNP)截止,VCC經過Q1導通對MOS開關管Q3的柵極充電,由于Q1是飽和導通,VCC等效是直接加到MOS管Q3的柵極,瞬間充電電流極大,充電時間極短,保證了MOS開關管Q3的迅速的“開”,如圖2-2-A所示(圖2-2-A和圖2-2-B中的電容C為MOS管柵極S的等效電容)。
當激勵方波信號的負半周來到時;晶體三極管Q1(NPN)截止、Q2(PNP)導通,MOS開關管Q3的柵極所充的電荷,經過Q2迅速放電,由于Q2是飽和導通,放電時間極短,保證了MOS開關管Q3的迅速的“關”,如圖2-2-B所示。
由于大功率MOS管在制造工藝上柵極S的引線的電流容量有一定的限度,所以在Q1在飽和導通時VCC對MOS管柵極S的瞬時充電電流巨大,極易損壞MOS管的輸入端,為了保護MOS管的安全,在具體的電路中必須采取措施限制瞬時充電的電流值,在柵極充電的電路中串接一個適當的充電限流電阻R,如圖2-3-A所示。充電限流電阻R的阻值的選取;要根據MOS管的輸入電容的大小,激勵脈沖的頻率及灌流電路的VCC(VCC一般為12V)的大小決定一般在數十姆歐到一百歐姆之間。
由于充電限流電阻的增加,使在激勵方波負半周時Q2導通時放電的速度受到限制(充電時是VCC產生電流,放電時是柵極所充的電壓VGS產生電流,VGS遠遠小于VCC,R的存在大大的降低了放電的速率)使MOS管的開關特性變壞,為了使R阻值在放電時不影響迅速放電的速率,在充電限流電阻R上并聯一個形成放電通路的二極管D,圖2-3-B所示。此二極管在放電時導通,在充電時反偏截止。這樣增加了充電限流電阻和放電二極管后,既保證了大功率MOS管的安全,又保證了MOS管,“開”與“關”的迅速動作。
灌流電路的另外一種形式,對于某些功率較小的開關電源上采用的MOS管往往采用了圖2-4-A的電路方式。
圖中 D為充電二極管,Q為放電三極管(PNP)。工作過程是這樣,當激勵方波正半周時,D導通,對MOS管輸入端等效電容充電(此時Q截止),在當激勵方波負半周時,D截止,Q導通,MOS管柵極S所充電荷,通過Q放電,MOS管完成“開”與“關”的動作,如圖2-4-B所示。此電路由激勵信號直接“灌流”,激勵信號源要求內阻較低。該電路一般應用在功率較小的開關電源上。
MOS管在開關狀態工作時;Q1、Q2是輪流導通,MOS管柵極是在反復充電、放電的狀態,如果在此時關閉電源,MOS管的柵極就有兩種狀態;一個狀態是;放電狀態,柵極等效電容沒有電荷存儲,一個狀態是;充電狀態,柵極等效電容正好處于電荷充滿狀態,圖2-5-A所示。雖然電源切斷,此時Q1、Q2也都處于斷開狀態,電荷沒有釋放的回路,MOS管柵極的電場仍然存在(能保持很長時間),建立導電溝道的條件并沒有消失。這樣在再次開機瞬間,由于激勵信號還沒有建立,而開機瞬間MOS管的漏極電源(VDS)隨機提供,在導電溝道的作用下,MOS管即刻產生不受控的巨大漏極電流ID,引起MOS管燒壞。為了避免此現象產生,在MOS管的柵極對源極并接一只泄放電阻R1,如圖2-5-B所示,關機后柵極存儲的電荷通過R1迅速釋放,此電阻的阻值不可太大,以保證電荷的迅速釋放,一般在5K~數10K左右。
灌流電路主要是針對MOS管在作為開關管運用時其容性的輸入特性,引起“開”、“關”動作滯后而設置的電路,當MOS管作為其他用途;例如線性放大等應用,就沒有必要設置灌流電路。
實例應用電路分析
初步的了解了以上的關于大功率MOS管的一些知識后,一般的就可以簡單的分析,采用MOS管開關電源的電路了。
1、 三星等離子V2屏開關電源PFC部分激勵電路分析;
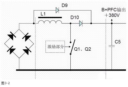
圖3-1所示是三星V2屏開關電源,PFC電源部分電原理圖,圖3-2所示是其等效電路框圖。
圖3-1所示;是三星V2屏等離子開關電源的PFC激勵部分。從圖中可以看出;這是一個并聯開關電源L1是儲能電感,D10是這個開關電源的整流二極管,Q1、Q2是開關管,為了保證PFC開關電源有足夠的功率輸出,采用了兩只MOS管Q1、Q2并聯應用(圖3-2所示;是該并聯開關電源等效電路圖,圖中可以看出該并聯開關電源是加在整流橋堆和濾波電容C5之間的),圖中Q3、Q4是灌流激勵管,Q3、Q4的基極輸入開關激勵信號, VCC-S-R是Q3、Q4的VCC供電(22.5V)。兩只開關管Q1、Q2的柵極分別有各自的充電限流電阻和放電二極管,R16是Q2的在激烈信號為正半周時的對Q2柵極等效電容充電的限流電阻,D7是Q2在激烈信號為負半周時的Q2柵極等效電容放電的放電二極管,同樣R14、D6則是Q1的充電限流電阻和放電的放電二極管。R17和R18是Q1和Q2的關機柵極電荷泄放電阻。D9是開機瞬間浪涌電流分流二極管。
MOS管是屬于絕緣柵場效應管,柵極是無直流通路,輸入阻抗極高,極易引起靜電荷聚集,產生較高的電壓將柵極和源極之間的絕緣層擊穿。早期生產的MOS管大都沒有防靜電的措施,所以在保管及應用上要非常小心,特別是功率較小的MOS管,由于功率較小的MOS管輸入電容比較小,接觸到靜電時產生的電壓較高,容易引起靜電擊穿。而近期的增強型大功率MOS管則有比較大的區別,首先由于功能較大輸入電容也比較大,這樣接觸到靜電就有一個充電的過程,產生的電壓較小,引起擊穿的可能較小,再者現在的大功率MOS管在內部的柵極和源極有一個保護的穩壓管DZ(圖4-1所示),把靜電嵌位于保護穩壓二極管的穩壓值以下,有效的保護了柵極和源極的絕緣層,不同功率、不同型號的MOS管其保護穩壓二極管的穩壓值是不同的。雖然MOS管內部有了保護措施,我們操作時也應按照防靜電的操作規程進行,這是一個合格的維修員應該具備的。
在修理電視機及電器設備時,會遇到各種元器件的損壞,MOS管也在其中,這就是我們的維修人員如何利用常用的萬用表來判斷MOS管的好壞、優劣。在更換MOS管是如果沒有相同廠家及相同型號時,如何代換的問題。
作為一般的電器電視機維修人員在測量晶體三極管或二極管時,一般是采用普通的萬用表來判斷三極管或者二極管的好壞,雖然對所判斷的三極管或二極管的電氣參數沒法確認,但是只要方法正確對于確認晶體三極管的“好”與“壞”還是沒有問題的。同樣MOS管也可以應用萬用表來判斷其“好”與“壞”,從一般的維修來說,也可以滿足需求了。
檢測必須采用指針式萬用表(數字表是不適宜測量半導體器件的)。對于大功率MOS管開關管都屬N溝道增強型,各生產廠的產品也幾乎都采用相同的TO-220F封裝形式(指用于開關電源中功率為50—200W的場效應開關管),其三個電極排列也一致,即將三只引腳向下,打印型號面向自巳,左側引腳為柵極,右測引腳為源極,中間引腳為漏極如圖5-1所示。
首先在測量前應該會使用萬用表,特別是歐姆檔的應用,要了解歐姆擋才會正確應用歐姆擋來測量晶體三極管及大功率MOS管(現在很多的從事修理人員,不會使用萬用表,特別是萬用表的歐姆擋,這絕不是危言聳聽,問問他?他知道歐姆擋的R×1 R×10 R×100 R×1K R×10K,在表筆短路時,流過表筆的電流分別有多大嗎?這個電流就是流過被測元件的電流。他知道歐姆擋在表筆開路時表筆兩端的電壓有多大嗎?這就是在測量時被測元件在測量時所承受的電壓)關于正確使用萬用表歐姆擋的問題,可以參閱可以參閱“您會用萬用表的歐姆擋測量二極管、三極管嗎?”“可以參閱本博客“您會用萬用表的歐姆擋測量二極管、三極管嗎?”一文,因篇幅問題這里不再贅述。
用萬用表的歐姆擋的歐姆中心刻度不能太大,最好小于12Ω(500型表為12Ω),這樣在R×1擋可以有較大的電流,對于PN結的正向特性判斷比較準確。萬用表R×10K擋內部的電池最好大于9V,這樣在測量PN結反相漏電流時比較準確,否則漏電也測不出來。
現在由于生產工藝的進步,出廠的篩選、檢測都很嚴格,我們一般判斷只要判斷MOS管不漏電、不擊穿短路、內部不斷路、能放大就可以了,方法極為簡單:
采用萬用表的R×10K擋;R×10K擋內部的電池一般是9V加1.5V達到10.5V這個電壓一般判斷PN結點反相漏電是夠了,萬用表的紅表筆是負電位(接內部電池的負極),萬用表的黑表筆是正電位(接內部電池的正極),圖5-2所示。
把紅表筆接到MOS管的源極S;把黑表筆接到MOS管的漏極D,此時表針指示應該為無窮大,如圖5-3所示。如果有歐姆指數,說明被測管有漏電現象,此管不能用。
保持上述狀態;此時用一只100K~200K電阻連接于柵極和漏極,如圖5-4所示;這時表針指示歐姆數應該越小越好,一般能指示到0歐姆,這時是正電荷通過100K電阻對大功率MOS管柵極充電,產生柵極電場,由于電場產生導致導電溝道致使漏極和源極導通,所以萬用表指針偏轉,偏轉的角度大(歐姆指數小)證明放電性能好。
此時在圖5-4的狀態;再把連接的電阻移開,這時萬用表的指針仍然應該是MOS管導通的指數不變,如圖5-5所示。雖然電阻拿開,但是因為電阻對柵極所充的電荷并沒有消失,柵極電場繼續維持,內部導電溝道仍然保持,這就是絕緣柵型MOS管的特點。如果電阻拿開表針會慢慢的逐步的退回到高阻甚至退回到無窮大,要考慮該被測管柵極漏電。
這時用一根導線,連接被測管的柵極和源極,萬用表的指針立即返回到無窮大,如圖5-6所示。導線的連接使被測MOS管,柵極電荷釋放,內部電場消失;導電溝道也消失,所以漏極和源極之間電阻又變成無窮大。
在修理電視機及各種電器設備時,遇到元器件損壞應該采用相同型號的元件進行更換。但是,有時相同的元件手邊沒有,就要采用其他型號的進行代換,這樣就要考慮到各方面的性能、參數、外形尺寸等,例如電視的里面的行輸出管,只要考慮耐壓、電流、功率一般是可以進行代換的(行輸出管外觀尺寸幾乎相同),而且功率往往大一些更好。對于MOS管代換雖然也是這一原則,最好是原型號的最好,特別是不要追求功率要大一些,因為功率大;輸入電容就大,換了后和激勵電路就不匹配了,激勵灌流電路的充電限流電阻的阻值的大小和MOS管的輸入電容是有關系的,選用功率大的盡管容量大了,但輸入電容也就大了,激勵電路的配合就不好了,這反而會使MOS管的開、關性能變壞。所示代換不同型號的MOS管,要考慮到其輸入電容這一參數。例如有一款42寸液晶電視的背光高壓板損壞,經過檢查是內部的大功率MOS管損壞,因為無原型號的代換,就選用了一個,電壓、電流、功率均不小于原來的MOS管替換,結果是背光管出現連續的閃爍(啟動困難),最后還是換上原來一樣型號的才解決問題。
檢測到MOS管損壞后,更換時其周邊的灌流電路的元件也必須全部更換,因為該MOS管的損壞也可能是灌流電路元件的欠佳引起MOS管損壞。即便是MOS管本身原因損壞,在MOS管擊穿的瞬間,灌流電路元件也受到傷害,也應該更換。就像我們有很多高明的維修師傅在修理A3開關電源時;只要發現開關管擊穿,就也把前面的2SC3807激勵管一起更換一樣道理(盡管2SC3807管,用萬用表測量是好的)。
mos在控制器電路中的工作狀態:開通過程(由截止到導通的過渡過程)、導通狀態、關斷過程(由導通到截止的過渡過程)、截止狀態。
Mos主要損耗也對應這幾個狀態,開關損耗(開通過程和關斷過程),導通損耗,截止損耗(漏電流引起的,這個忽略不計),還有雪崩能量損耗。只要把這些損耗控制在mos承受規格之內,mos即會正常工作,超出承受范圍,即發生損壞。而開關損耗往往大于導通狀態損耗(不同mos這個差距可能很大)。
過流----------持續大電流或瞬間超大電流引起的結溫過高而燒毀;
過壓----------源漏過壓擊穿、源柵極過壓擊穿;
靜電----------靜電擊穿。CMOS電路都怕靜電;
Mos開關原理(簡要)。Mos是電壓驅動型器件,只要柵極和源級間給一個適當電壓,源級和漏級間通路就形成。這個電流通路的電阻被成為mos內阻,就是導通電阻
Mos問題遠沒這么簡單,麻煩在它的柵極和源級間,源級和漏級間,柵極和漏級間內部都有等效電容。所以給柵極電壓的過程就是給電容充電的過程(電容電壓不能突變),所以mos源級和漏級間由截止到導通的開通過程受柵極電容的充電過程制約。
然而,這三個等效電容是構成串并聯組合關系,它們相互影響,并不是獨立的,如果獨立的就很簡單了。其中一個關鍵電容就是柵極和漏級間的電容Cgd,這個電容業界稱為米勒電容。這個電容不是恒定的,隨柵極和漏級間電壓變化而迅速變化。這個米勒電容是柵極和源級電容充電的絆腳石,因為柵極給柵-源電容Cgs充電達到一個平臺后,柵極的充電電流必須給米勒電容Cgd充電,這時柵極和源級間電壓不再升高,達到一個平臺,這個是米勒平臺(米勒平臺就是給Cgd充電的過程),米勒平臺大家首先想到的麻煩就是米勒振蕩。(即,柵極先給Cgs充電,到達一定平臺后再給Cgd充電)
因為這個時候源級和漏級間電壓迅速變化,內部電容相應迅速充放電,這些電流脈沖會導致mos寄生電感產生很大感抗,這里面就有電容,電感,電阻組成震蕩電路(能形成2個回路),并且電流脈沖越強頻率越高震蕩幅度越大。所以最關鍵的問題就是這個米勒平臺如何過渡。
Gs極加電容,減慢mos管導通時間,有助于減小米勒振蕩。防止mos管燒毀。
過快的充電會導致激烈的米勒震蕩,但過慢的充電雖減小了震蕩,但會延長開關從而增加開關損耗。Mos開通過程源級和漏級間等效電阻相當于從無窮大電阻到阻值很小的導通內阻(導通內阻一般低壓mos只有幾毫歐姆)的一個轉變過程。比如一個mos最大電流100a,電池電壓96v,在開通過程中,有那么一瞬間(剛進入米勒平臺時)mos發熱功率是P=V*I(此時電流已達最大,負載尚未跑起來,所有的功率都降落在MOS管上),P=96*100=9600w!這時它發熱功率最大,然后發熱功率迅速降低直到完全導通時功率變成100*100*0.003=30w(這里假設這個mos導通內阻3毫歐姆)。開關過程中這個發熱功率變化是驚人的。
如果開通時間慢,意味著發熱從9600w到30w過渡的慢,mos結溫會升高的厲害。所以開關越慢,結溫越高,容易燒mos。為了不燒mos,只能降低mos限流或者降低電池電壓,比如給它限制50a或電壓降低一半成48v,這樣開關發熱損耗也降低了一半。不燒管子了。這也是高壓控容易燒管子原因,高壓控制器和低壓的只有開關損耗不一樣(開關損耗和電池端電壓基本成正比,假設限流一樣),導通損耗完全受mos內阻決定,和電池電壓沒任何關系。
其實整個mos開通過程非常復雜。里面變量太多。總之就是開關慢不容易米勒震蕩,但開關損耗大,管子發熱大,開關速度快理論上開關損耗低(只要能有效抑制米勒震蕩),但是往往米勒震蕩很厲害(如果米勒震蕩很嚴重,可能在米勒平臺就燒管子了),反而開關損耗也大,并且上臂mos震蕩更有可能引起下臂mos誤導通,形成上下臂短路。所以這個很考驗設計師的驅動電路布線和主回路布線技能。最終就是找個平衡點(一般開通過程不超過1us)。開通損耗這個最簡單,只和導通電阻成正比,想大電流低損耗找內阻低的。
下面介紹下對普通用戶實用點的。
Mos挑選的重要參數簡要說明。以datasheet舉例說明。
柵極電荷。Qgs, Qgd Qgs:指的是柵極從0v充電到對應電流米勒平臺時總充入電荷(實際電流不同,這個平臺高度不同,電流越大,平臺越高,這個值越大)。這個階段是給Cgs充電(也相當于Ciss,輸入電容)。 Qgd:指的是整個米勒平臺的總充電電荷(在這稱為米勒電荷)。這個過程給Cgd(Crss,這個電容隨著gd電壓不同迅速變化)充電。
聯系方式:鄒先生
聯系電話:0755-83888366-8022
手機:18123972950
QQ:2880195519
聯系地址:深圳市福田區車公廟天安數碼城天吉大廈CD座5C1
請搜微信公眾號:“KIA半導體”或掃一掃下圖“關注”官方微信公眾號
請“關注”官方微信公眾號:提供 MOS管 技術幫助
